Descripción
Ganchos DEHA
Los ganchos DEHA son accesorios de izaje y transporte que forman parte del sistema DEHA .
El sistema DEHA es un conjunto de anclajes y accesorios de izaje para la manipulación de elementos prefabricados de hormigón. Se utiliza en fábricas de prefabricados y en obra para levantar, transportar y montar piezas pesadas como muros, vigas, losas, pilares, etc. (muy utilizado en prefabricados de hormigón).
Estos ganchos están diseñados para trabajar junto con anclajes empotrados en el hormigón y permiten una conexión segura y rápida al momento de levantar, mover o posicionar piezas pesadas.
🔹 Uso de los ganchos DEHA
-
Izaje de elementos prefabricados de hormigón (vigas, losas, paneles, muros, pilotes, etc.).
-
Acoplamiento rápido entre la grúa y el anclaje embebido en la pieza.
-
Conexión segura y repetible, ya que los ganchos se enganchan directamente al anclaje DEHA.

Ganchos DEHA en el momento de elvación de una carga -
Reducción de riesgos durante las maniobras de carga y descarga.
🔹 Utilidad de los ganchos DEHA
-
Permiten maniobrar grandes pesos de forma segura.
-
Aseguran que el esfuerzo se transmita correctamente entre la grúa y la pieza prefabricada.
-
Reutilizables: el mismo gancho se puede emplear en múltiples operaciones y piezas diferentes.
-
Compatibles con distintos tipos de anclajes DEHA (de cabeza esférica, de rosca, de bucle, etc.).
-
Mejoran la eficiencia en obra, ya que no requieren soldaduras ni dispositivos adicionales para enganchar.
-
En resumen:
Los ganchos DEHA son herramientas de conexión esenciales en el sistema de anclajes DEHA. Su principal utilidad es garantizar un izaje rápido, seguro y confiable de elementos prefabricados de hormigón, facilitando la manipulación en plantas de prefabricado y en obra.
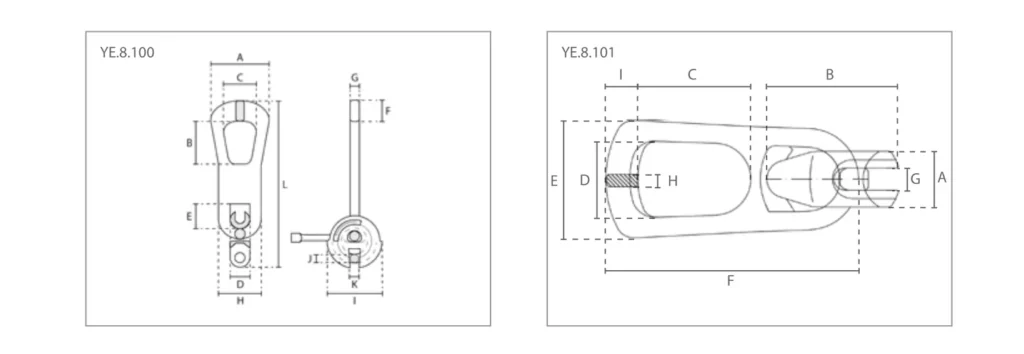
Especificaciones y datos de los ganchos DEHA

| Especificaciones | Dimensiones en (mm) | ||||||||||||||
| Código de artículo | Capacidad (ton) | Capacidad mín. (ton) | Peso (kg) | A | B | C | D | E | F | G | H | I | J | K | L |
| YE.8.100.025 | 2,5 | 0,7 | 1,6 | 95 | 70 | 59 | 27 | 35 | 30 | 12 | 58 | 79 | 13 | 12 | 264 |
| YE.8.100.050 | 5 | 3 | 3,6 | 117 | 85 | 66 | 37 | 45 | 42 | 17 | 82 | 107 | 17 | 18 | 333 |
| YE.8.100.100 | 10 | 5,3 | 9 | 148 | 110 | 85 | 50 | 56 | 52 | 25 | 110 | 148 | 24 | 22 | 424 |
| Especificaciones | Dimensiones (mm) | |||||||||||
| Código de artículo | Capacidad (ton) | Capacidad mín. (ton) | Peso (kg) | A | B | C | D | E | F | G | H | I |
| YE.8.101.013 | 1,3 | 1 | 0,9 | 34 | 81 | 71 | 45 | 73 | 157 | 12 | 13 | 21 |
| YE.8.101.025 | 2,5 | 1,5 | 1,3 | 42 | 99 | 85 | 57 | 88 | 190 | 16 | 14 | 27 |
| YE.8.101.050 | 5 | 3 | 3,3 | 55 | 133 | 88 | 69 | 110 | 233 | 22 | 18 | 35 |
| YE.8.101.100 | 10 | 6 | 10 | 74 | 176 | 116 | 83 | 161 | 337 | 30 | 27 | 51 |
| YE.8.101.200 | 20 | 12 | 20,4 | 110 | 228 | 134 | 108 | 182 | 437 | 42 | 31 | 77 |
| YE.8.101.320 | 32 | – | 46,5 | 154 | 307 | 189 | 164 | 272 | 560 | 52 | 40 | 102 |






